


针对配套客户设计研发的蠕动泵驱动器。产品采用60直流减速电机,提供底板或面板两种安装方式。具有标准泵头支架,可以安装多种泵头。
流量范围:-≤702ml/min
最大通道数:6
适用场所:
主要在设备仪器中配套使用
产品特性:
60系列固定转速型ODM产品是针对配套客户设计研发的蠕动泵驱动器。产品采用60直流减速电机(DC 12V或DC 24V)或60交流异步减速电机(AC 220V),转速固定,结构简单,提供底板或面板两种安装方式。具有标准泵头支架,可以安装多种泵头。客户可根据使用需求选择合适的转速、电机和泵头。
功能特点
适配泵头:DG系列泵头,YZ1515X,YZ2515X,YZⅡ15,YZⅡ25等。其他泵头型号以及适用软管规格,请参考最新产品样本。
转速:每款产品转速固定不可调。产品型号及对应转速,请参考附件1。
流量:请参考最新产品样本。
工作环境:环境温度:0-40℃,相对湿度:<80%,无凝露
适用电源:60直流减速电机,适用DC 12V/24W或DC 24V/24W电源
60交流减速电机,适用AC 220V/33W电源
建议寿命:60直流减速电机,建议寿命2000小时
60交流减速电机,建议寿命5000小时
转速误差:≤±10%
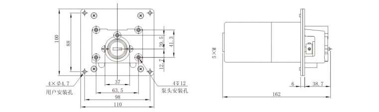
外形尺寸:底板式安装:(长×宽×高)162×80×110(mm)
面板式安装:(长×宽×高)162×110×100(mm)
技术指标
| 产品型号 | 安装方式 | 产品编号 | 转速(rpm) | 电机类型 | 适用电源 | 转速误差 | 建议寿命 | 工作环境温度 | 工作环境相对湿度 |
| G14-D1 | 底板 | 05.51.011 | 14 | 60直流 减速电机 | DC 12V/24W | ≤±10% | 2000小时 | 0℃-40℃ | <80% |
| G14-D2 | 面板 | 05.51.012 | 14 | ||||||
| G28-D1 | 底板 | 05.51.031 | 28 | ||||||
| G28-D2 | 面板 | 05.51.032 | 28 | ||||||
| G56-D1 | 底板 | 05.51.041 | 56 | ||||||
| G56-D2 | 面板 | 05.51.042 | 56 | ||||||
| G93-D1 | 底板 | 05.51.051 | 93 | ||||||
| G93-D2 | 面板 | 05.51.052 | 93 | ||||||
| G186-D1 | 底板 | 05.51.311 | 186 | ||||||
| G186-D2 | 面板 | 05.51.312 | 186 | ||||||
| G15-D101 | 底板 | 05.53.011 | 15 | DC 24V/24W | |||||
| G15-D102 | 面板 | 05.53.012 | 15 | ||||||
| G30-D101 | 底板 | 05.53.021 | 30 | ||||||
| G30-D102 | 面板 | 05.53.022 | 30 | ||||||
| G59-D101 | 底板 | 05.53.031 | 59 | ||||||
| G59-D102 | 面板 | 05.53.032 | 59 | ||||||
| G99-D101 | 底板 | 05.53.041 | 99 | ||||||
| G99-D102 | 面板 | 05.53.042 | 99 | ||||||
| G196-D101 | 底板 | 05.53.311 | 196 | ||||||
| G196-D102 | 面板 | 05.53.312 | 196 | ||||||
| G15-A1 | 底板 | 05.55.011 | 15 | 60交流 减速电机 | AV 220V/33W | 5000小时 | |||
| G15-A2 | 面板 | 05.55.012 | 15 | ||||||
| G30-A1 | 底板 | 05.55.021 | 30 | ||||||
| G30-A2 | 面板 | 05.55.022 | 30 | ||||||
| G60-A1 | 底板 | 05.55.031 | 60 | ||||||
| G60-A2 | 面板 | 05.55.032 | 60 | ||||||
| G88-A1 | 底板 | 05.55.041 | 88 | ||||||
| G88-A2 | 面板 | 05.55.042 | 88 | ||||||
| G147-A1 | 底板 | 05.55.311 | 147 | ||||||
| G147-A2 | 面板 | 05.55.312 | 147 |
其他参数



您的报价需求已收到



