


采用80直流减速电机(DC 12V或DC 24V)或80交流异步减速电机(AC 220V),转速固定,结构简单,提供底板或面板两种安装方式。具有标准泵头支架,可以安装多种泵头。
流量范围:-≤2163ml/min
最大通道数:2
适用场所:
主要在设备仪器中配套使用
产品特性:
80系列固定转速型ODM产品是针对配套客户设计研发的蠕动泵驱动器。产品采用80直流减速电机(DC 12V或DC 24V)或80交流异步减速电机(AC 220V),转速固定,结构简单,提供底板或面板两种安装方式。具有标准泵头支架,可以安装多种泵头。客户可根据使用需求选择合适的转速、电机和泵头。
功能特点
| 产品型号 | 安装方式 | 产品编号 | 转速(rpm) | 电机类型 | 适用电源 | 转速误差 | 建议寿命 | 工作环境温度 | 工作环境相对湿度 |
| G186-D3 | 底板 | 05.51.313 | 186 | 80直流 减速电机 | DC 12V/40W | ≤±10% | 2000小时 | 0℃-40℃ | <80% |
| G186-D4 | 面板 | 05.51.314 | 186 | ||||||
| G311-D3 | 底板 | 05.51.511 | 311 | ||||||
| G311-D4 | 面板 | 05.51.512 | 311 | ||||||
| G560-D3 | 底板 | 05.51.721 | 560 | ||||||
| G560-D4 | 面板 | 05.51.722 | 560 | ||||||
| G196-D103 | 底板 | 05.53.313 | 196 | DC 24V/40W | |||||
| G196-D104 | 面板 | 05.53.314 | 196 | ||||||
| G327-D103 | 底板 | 05.53.511 | 327 | ||||||
| G327-D104 | 面板 | 05.53.512 | 327 | ||||||
| G590-D103 | 底板 | 05.53.711 | 590 | ||||||
| G590-D104 | 面板 | 05.53.712 | 590 | ||||||
| G147-A3 | 底板 | 05.55.311 | 147 | 80交流 减速电机 | AV 220V/40W | 5000小时 | |||
| G147-A4 | 面板 | 05.55.312 | 147 | ||||||
| G220-A3 | 底板 | 05.55.411 | 220 | ||||||
| G220-A4 | 面板 | 05.55.412 | 220 | ||||||
| G366-A3 | 底板 | 05.55.511 | 366 | ||||||
| G366-A4 | 面板 | 05.55.512 | 366 |
技术指标
适配泵头:YZ1515X,YZ2515X,YZⅡ15,YZⅡ25等。其他泵头型号以及适用软管规格,请参考最新产品样本。
转速:每款产品转速固定不可调。产品型号及对应转速,请参考附件1。
流量:请参考最新产品样本。
工作环境:环境温度:0-40℃,相对湿度:<80%,无凝露
适用电源:80直流减速电机,适用DC 12V/40W或DC 24V/40W电源
80交流减速电机,适用AC 220V/40W电源
建议寿命:80直流减速电机,建议寿命2000小时
80交流减速电机,建议寿命5000小时
转速误差:≤±10%
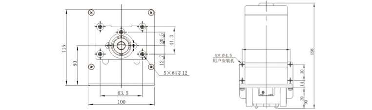
外形尺寸:(长×宽×高)198×100×115(mm)
其他参数



您的报价需求已收到



