



超薄切片技术是高分子材料领域电镜制样的一个标准技术手段,但是只有掌握其应用技巧,才能获得最佳结果。
四氧化锇OsO4 是最常用的染色剂,通常使用锇蒸汽或者2%的溶液。有些特定样品需要跟酰肼,氯磺酸等同时使用,并且使用OsO4 作后染色。有些样品使用四氧化钌RuO4进行染色会获得更好的结果,并且更加简单方便,节省时间。
Polymer Microscopy 这本书的4.4.2节有四氧化锇染色方法的详细综述。
超薄切片之前进行块染比超薄切片后染色效果更好。
通常有两种染色方法:
一,2% OsO4 溶液60°C染色数小时
二,利用OsO4 固体结晶释放锇蒸汽,在常温(25°C)熏染数小时
首先在体式镜下对样品进行修块,然后把样品块放进一个特制的染色容器内,通常是一个干燥器(根据G.Owen & D. Vesely的描述,详见Proceedings of the Royal Microscopical Society , Nov-85)。容器内放置一枚打开的含有OsO4 结晶的安瓿瓶,整个容器放置在通风橱内室温(25°C)染色过夜。染色完毕后,样品用水冲洗至少1小时,干燥后切片。样品需放置在通风橱内,因为样品依然含有OsO4 (0.2 ug/kg)。

片染

块染
一个简易的替代方法是,打破一个含有饿酸晶体的安瓿瓶,把它同样品一起放在培养皿里,盖上盖子后放在干燥器里面,取出干燥器里面的硅胶,加入一定量的1M NaHSO3溶液。整个干燥器放在通风橱里染色过夜,一般染色16小时左右会获得比较理想的结果。
如果没有饿酸晶体,只有2%的饿酸溶液,染色方法如下:把样品块用双面胶粘在一个10 ml 的玻璃小瓶上部,加入2% 的饿酸溶液,盖上盖子,放在干燥器里,取出干燥器里面的硅胶,加入一定量的1M NaHSO3溶液,整个干燥器放在通风橱里染色过夜。(注意:使用溶液会非常脏,所有东西都会被沾上有毒的饿酸)
注:
一定要在通风橱内工作。
一定要戴一次性手套。
一定要避免吸入锇蒸汽,一旦闻到味道了,就已经吸入了有毒气体。
一定要放在干燥器里进行染色,干燥器里加入1M NaHSO3可以吸收掉锇蒸汽。
一定要将染好的样品依旧放在通风橱内,只在切片的时候拿出来。

上述列表并不完全,并且常温切片和低温冷冻切片只是为了做一个区分,最终方法的选择还是取决于材料的软硬程度。
1、超薄切片后染色:
很多材料仅仅使用OsO4染色是不够的,还需要在超薄切片后进行RuO4熏蒸染色,以便获得更好的结构,定位各种不同的组分。超薄切片后染色需要数秒钟到15-30分钟不等,这取决于材料的特性。通常先获得几张切片,然后做一个染色时间的梯度,以便得到最适染色时长,这比用一直重复染一张切片来的容易。
切记,使用碳支持膜或者无膜的铜网,不要使用Formvar膜铜网,Formvar膜本身会被染色。
2、块染:
如果需要进行块染,方法见RuO4染色法。饿酸染色之后RuO4块染的方法,是针对具有“半结晶相”结构的材料(polyethylene, polypropylene,EPR-rubber, EPDM-rubber, Nylon,polymethylpentene etc.)的一种方法,这样可以显示半结晶结构和定位不同的相。
聚合物OsO4染色法参考文献:(文章1实际上是后面所有文章的基础,只是不同样品选用了不同参数而已)
1) Osmium tetraoxide fixation of rubber latices. Kato, K. Polymer Letters 4, 35-38 (1966).
2) Elektronenmikroskopie an kunststoffen am beispiel des polyäthylens. Kanig, G.Kunststoffe, Bd. 64, 470-474 (1974)
3) Further electron microscope observations on polyethylene I. Granule structure of the melt as an artifact. Kanig, G.Colloid & Polymer Sci. 265, 855-859 (1987).
4) The chemistry of Osmium tetraoxide fixation. Behrman, E. J.Science of Biological Specimen Preparation (1-5).
5) The role of sample preparation on the study of the microstructure of rubber-reinforced polymers. Castaño, V. M., Oliva, E., Del-Real,A., Mexia, P., Viquez, S, Rivera, E, and Martinez, E. Polymer Bulletin 32, 693-696 (1994).
6) Transmission electron microscopy of saturated rubber modified polymer systems. Kakugo, M., Sadatoshi, H., Yokoyama, M. Journal of Polymer Sci.: Part C: Polymer Letters, 24, 171-175 (1986).
7) New staining technique for distinction between crystalline and amorphous parts in transmission electron microscopy of
poly(tetrahydrofuran).Ishikawa, S., Ishizu, K., and Fukutomi, T.
8) A novel staining technique for studying toughning mechanisms in saturated acrylic rubber modified polymers. Sue, H.J., Garcia-Meitin, E. I., Burton, B. L., and Garrison, C. C. Journal of Polymer Sci.: Part B: Polymer Physics, 29, 1623-1631 (1991).
9) Ein neues Kontrastierverfahren für die elektronenmikroskopische Untersuchung van säure- und estergruppenhaltigen
Polymersystemen. Kanig, G., and Neff, H. Colloid & Polymer Sci. 253, 29-31 (1975).
10)Ein neues Kontrastierungsverfahren für die elektronenmikroskopische Untersuchung der Morphologie von Polyamiden. Weber, G., Kuntze, D., and Stix., W. Colloid & Polymer Sci. 260, 956-958, (1982).
四氧化钌RuO4染色方法,详见参考文献1-11,最常引用的文献是1-5,文章1和5是最重要的。文章1揭示了RuO4与大多数已知聚合物的反应原理,这在处理聚合物混合样品时非常重要。文章5是第一篇阐述用RuCl3和 NaOCl产栺RuO4蒸汽进行染色的文章,这个方法比直接使用RuO4溶液染色要好得多,因为RuO4蒸汽是现制的。
Polymer Microscopy 这本书的4.4.6节有四氧化钌RuO4染色方法的详细综述。
超薄切片之前进行块染比超薄切片后染色效果更好。
反应方程式:2RuCl3 · 3H2O + 8NaClO → 2RuO4 + 8NaCl + 3Cl2+ 3H2O
方法:0.2 g RuCl3加 10 ml 5% NaClO溶液,成为工作液。
先用双面胶把样品块粘在一个10mL的玻璃小瓶上部,放入少量RuCl3在瓶子底部,用枪加入双倍的NaClO,盖上盖子,反应会立即开始。将玻璃小瓶放在干燥器里,最好在加NaClO溶液之前就放在干燥器里。干燥器底部放有一定量的1M NaHSO3溶液,用以吸收多余的RuO4蒸汽。染色完毕后,样品用水冲洗至少1小时,干燥后切片。
染色过程的所有工作应在通风橱内完成,毒性残留量未知,把它当作和OsO4一样有毒,样品有毒物质残留0.2 ug/kg(0.2 ppb)。
染色容器如下图所示:
片染

块染
染色时间依据样品和材料的不同而定,文献中描述的时间从30分钟到3-4小时。染色过夜,甚至16小时也不会有问题。虽然长时间染色,样品块最外面的一些样品会被破坏,无法切片,但是我们有更厚的一层样品可供切片,如果染色深度很浅,在对刀修块过程中,可能把最外面的修掉了,剩下的就是未染色区域,我们又需要重新染色。
这一方法可染色以下材料:聚乙烯,聚丙烯, EPDM(三元乙丙橡胶), 以及他们的混合材料, 聚氨基甲酸乙酯,以及它和多元酯和聚氨基甲酸乙酯等的混合材料等等。
对于橡胶类材料如ABS,Epoxies, HIPS等,或者含有这些材料的混合物,应该先用OsO4蒸汽或者水溶液染色,之后再进行RuO4染色。
聚乙烯,聚丙烯,EPDM(三元乙丙橡胶), 以及他们的混合材料应该在冷冻超薄切片机上进行切片,而不是室温,低温切片可以获得更好的切片以及更好的结果。
有时候染色之后,可以在稍微高一点的温度进行切片获得更好的结果(比如,不染色要在-120°C进行切片才能获得满意的结果,或许染色之后可以在-100°C/-90°C进行切片,且获得满意的结果,当然这个需要经验,需要不断的摸条件)
以下是一些常见材料的染色条件:
聚乙烯类材料(LDPE, HDPE, LLDPE等),块染过夜。
聚丙烯类材料,块染过夜。
热塑性聚氨基甲酸乙酯材料,块染过夜。
聚氨基甲酸乙酯类泡沫,块染过夜之后包埋。
聚氯乙烯,块染过夜。
丙烯橡胶,切片染色(数分钟到半小时)
注:RuO4超薄切片染色
使用碳支持膜或者无支持膜铜网而不是Formvar膜,因为Formv
ar膜本身会被RuO4染色
不要徒手进行操作,因为切片上有毒性残留
切片后染色,细节结构不如块染之后冷冻/常温切片结构好
聚合物RuO4染色法参考文献:
1) Ruthenium Tetraoxide staining of polymers for electron microscopy. Trent, J.S., Scheinbeim, J.I., and Couchman, P.R.
Macromolecules 1983, 16, 589-598.
2) Transmission electron microscopy of polymers stained with Ruthenium and Osmium Tetraoxide. Trent, J.S., Couchman, P.R., and Scheinmbeim, J.I.Polymer Sci. Tech. 22, 205-213 (1983).
3) Electron microscopy of PS/PMMA and rubber modified polymer blends: Use of Ruthenium Tetraxoide as a new staining agent. Trent, J.S., Scheinbeim, J.I., and Couchman, P.R. Journal of Polymer Science, Polymer Letters 19, 315-319 (1981).
4) Ruthenium tetraoxide as a staining agent for unsaturated and saturated polymers. Vitali, R., and Montani, E. Polymer, 21, 1220-1222 (1980).
5) The use of Ruthenium in Hypochlorite as a stain for polymeric materials. Montezinos, D., Gail Wells, B., and Burns, J.L., Journal of Polymer Science, Polymer Letters 23, 421-425 (1985).
6) Ruthenium tetraoxide staining technique for transmission electron microscopy of segmented block copolyetherester. Chen, S., Cao, T., and Jin, Y. Polymer Communications 28, 314-315 (1987).
7) Elektronenmikroskopische untersuchungen an crazezonen in polypropylen. Lutz, C., and Fischer, G. Betr. Elektronenmikroskop. Direktabb. Oberfl. 20, 173-178 (1987).
8) Lamellar morphologies of melt-crystallized polyethylene, isotactic polypropylene and ethylene- propylene copolymers by the RuO4. Sano, H., Usami, T., and Nakagawa, H. Polymer, 27, 1497-1504 (1986).
9) Ruthenium tetraoxide staining for transmission electron microscopy of polypropylene/EPDM/high density polyethylene blends. Tervoort-Engelen, Y., and Van Gisbergen, J. Polymer Communications, 32, Number 9, 261-263 (1991).
10) A deceptive staining artifact in ultramicrotomed polymer sections. Yetter, W.E. Journal of Electron Microscopy Technique, 19, 382-383 (1991).
11) Ruthenium staining of polybutyene terephtalate (PBT) and polyisobutylene-b-PBT segmented block copolymers. Janik, H., Walch, E., and Gaymans, J. Polymer, 32, 3522-3524 (1992).
应用实例:
High Impact Polystyrene,锇酸染色
Bob Vastenhout, Dow Benelux B.V., The Netherlands
Blend of polyethylene,钌酸染色
Bob Vastenhout, Dow Benelux B.V., The Netherlands
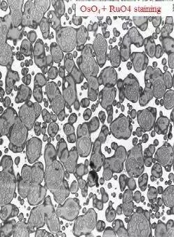
Blend of POM+ABS+TPU
Bob Vastenhout, Dow Benelux B.V., The Netherlands
Blend of Polycarbonate + ABS,锇酸+钌酸染色
Bob Vastenhout, Dow Benelux B.V., The Netherlands
染色不好,也会产生假象

您的报价需求已收到


